Tuesday,19-February-2019

Bluetooth HC-06 serial car lock unlock

EN

Well.. as you can guess right, I didn`t discover the wheel or the hot water. 021.gif

That is just project for friend, and somehow to try learning something.

The base principal : you add the HC-06 dongle pin and pair it your phone. Start the app and play 080.gif

And here it what I have done:

- change the HC-06 PIN and name. How? Check it: here As you can see from the video down, I have change mine too.

- use some parts as some resistors, Atmel Tiny 85, photo switches..

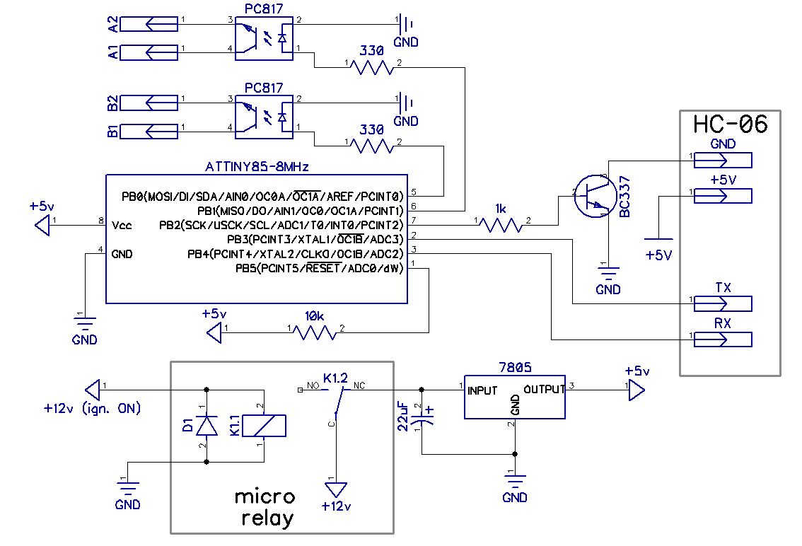
Some base circuit:

hc_o6_car_unlock.jpg

You can use LM1117 [5v version] or what ever is suitable for you as voltage regulator.

I found out that all circuit sink about 40-45mA. My guess is to use some resistor as 10-100k resistor on the 5v line to reduce heating the voltage regulator. In the past I manage to burn few 021.gif

Also, now before to put it in use, my plan is to add micro relay or circuit to switch on that unit only when the car is turned off. Perhaps, some small fuse is also good to have.

Next is Atmel Tiny 85, set to 8MHz inner oscillator. Strange enough I didn`t need to mess with the OSC..registers to set the clock right to avoid serial communication messing. There are few topics about that.

I need to control 3 things, so it pinout work perfect for me. One pin as you get it from the circuit I use to control the power to the HC-06 module, but you can use the same idea to control what ever 3 channels you like. Or you can expand with shift registers or… Well it`s up to your imagination. That is my 5cent.

The application : good help in that was MIT APP Inventor website. Really cool thing, that I use for while because still Android studio is over complicated for me.

The source files of my project are: images , AIA - project file , Arduino INO file

The concept:

when you connect to the serial you choose the action. For lock/unlock, you need to confirm with another PIN. The first time you start the hardware, that pin will be 0000. That`s because the arduino check self EEPROM data stored and as initial it is zeroes. Highly advice you to change it to something else. To replace it you use the key button. Then in the PIN write field you add the numbers as follow: (old pin), (new pin) or example: 0000,1234

After any command send, there will be feedback in case success or not.

Here is in action(the video show version 1):

Ready APK file you can get here

That is absolutely free shared. Use it as you wish and hope it will be in some help. Good luck!